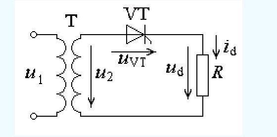
可控硅整流原理

可控硅整流原理可控硅整流器是一种广泛应用于电力电子领域的电子器件,它能够将交流电信号转换为直流电信号。 在实际应用中

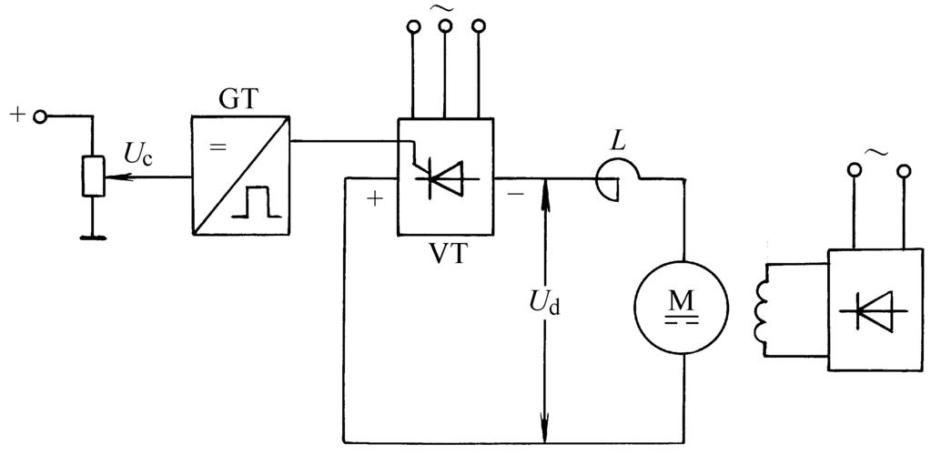
可控硅整流器的工作原理基于交流电流和直流电的特性。当输入电压与输出电压发生转换时,需要将该电路中的导线(如电缆、插头等)从电源端转移到另一端,再通过控制开关或调节装置来改变信号的振荡频率和幅度大小。这时候,如果没有一个合适的设备进行控制并正确设置了电压范围、功率因数以及正负极长度等等参数都不能被准确地测量出来。这样就导致了不同元件之间的相互作用力产生干扰,从而使整个系统失灵或者过载。因此可以通过调整主电机转子的方向以实现对整流器的自动控制;而通过降低输出温度或延迟时间等方式也可以保证其正常工作。
除了上述基本功能外,还可以利用多种辅助手段来优化整流效率,包括增加额定电压值、提高稳定性等措施。此外还有一些特殊情况需要注意,例如在高频段运行过程中会受到外部环境的影响,此时还需对其内部结构及性能进行评估。
综上所述,可控硅整流技术是一项重要的电子领域发展方向之一,它可以为各种电力电子系统的运作提供可靠的支持支撑。随着技术的不断创新和发展,我们相信可控硅整流的应用前景将会越来越广阔。

收录效果可以呀
学习到了
怎么联系客服
可以啊